[導(dǎo)讀] 如圖,B2(13)、B3(14)為霍耳電流傳感器;FU9(9)、FU10(10)為保險絲;AP646為熔斷告警信號板;X24、X26和X29為用戶接口板上的端子;XT為插座。 function resizeImage(evt,obj){ newX=evt.x; newY=evt.y; obj.
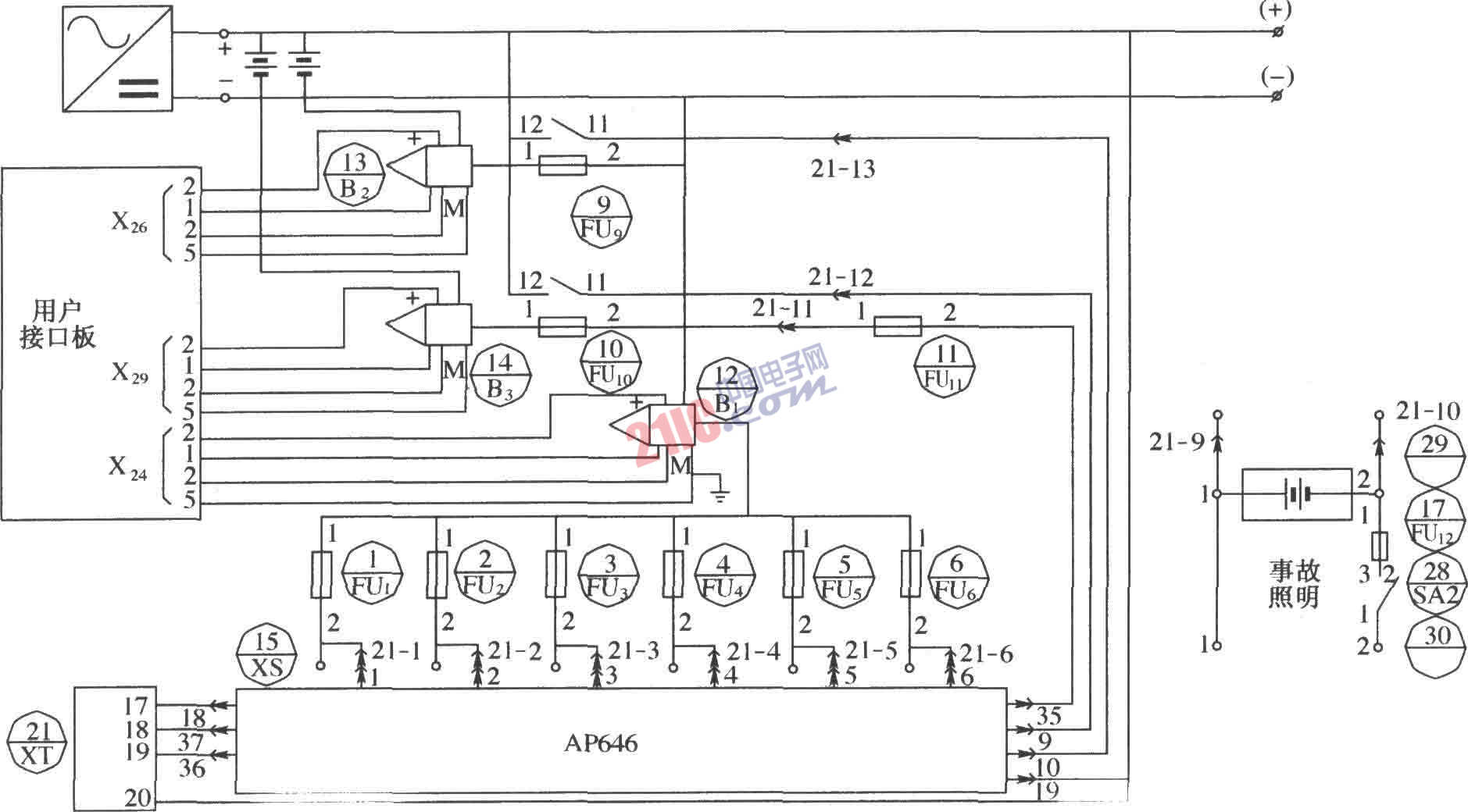
如圖,B2(13)、B3(14)為霍耳電流傳感器;FU9(9)、FU10(10)為保險絲;AP646為熔斷告警信號板;X24、X26和X29為用戶接口板上的端子;XT為插座。






