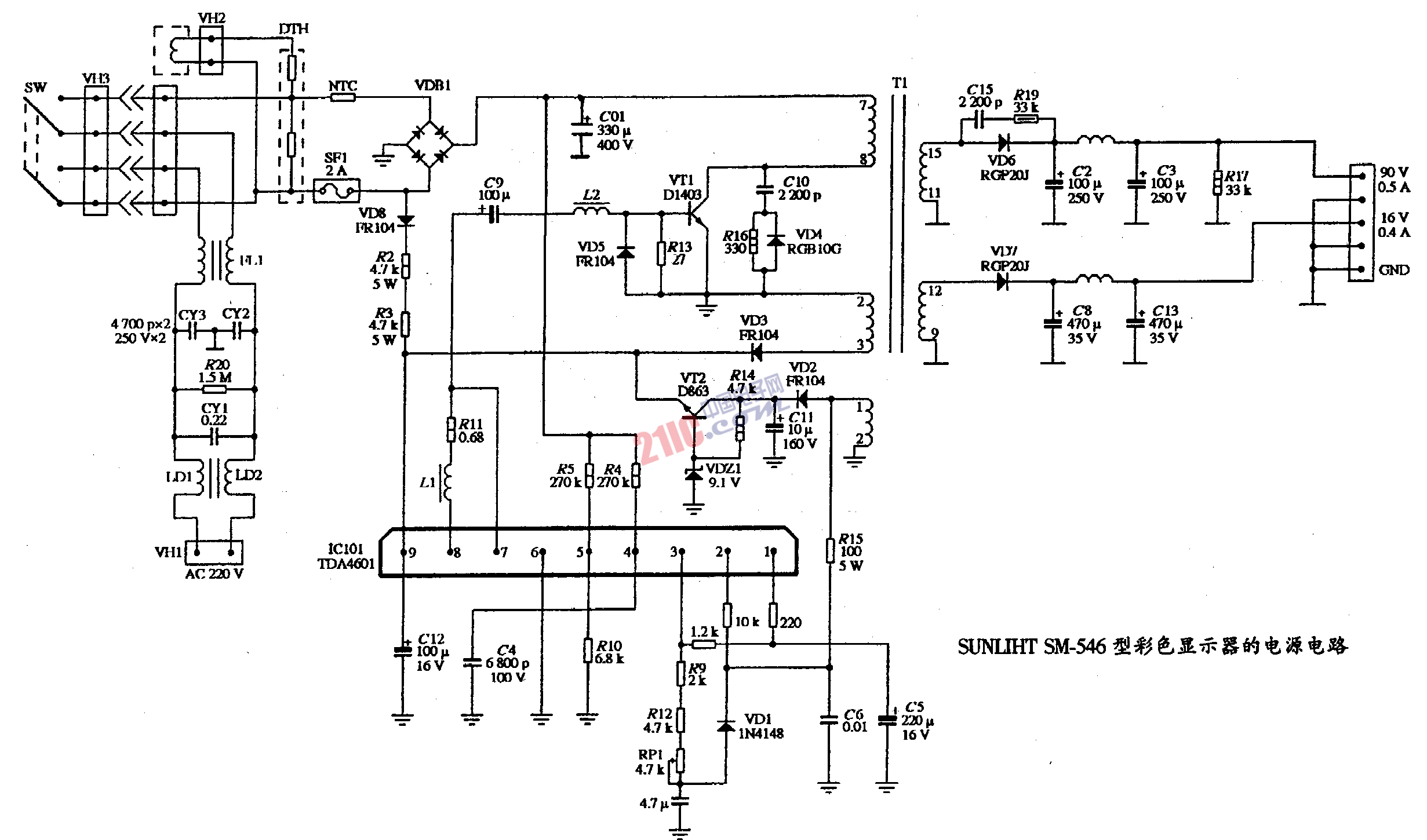
SUNLIHT SM-546型彩色顯示器的電源電路圖 時間:2008-05-30 15:33:01 關(guān)鍵字: 彩色顯示器 電源電路圖 SUNLIHT BSP 手機(jī)看文章掃描二維碼隨時隨地手機(jī)看文章 欲知詳情,請下載word文檔 下載文檔 作者:miracle